ختم الصلب الكربوني المكسرات الناصبة هي نوع من السحابة المستخدمة لتوصيل الألواح الرقيقة أو المعادن الصفائح. وهي مصنوعة من الفولاذ الكربوني ، مخففة وتخفيف لزيادة صلابة ، والسطح مجلفن أو مقاوم للتآكل.
إن الجوز المتقدم من الختم واضح ومباشر إلى حد ما ، يمكنك استخدام أدوات الإرشاد الهوائية أو الهيدروليكية القياسية. إليك كيفية عملها: أولاً ، ضع الجوز في حفرة مُصابة مسبقًا ، ثم استخدم مجموعة لكمة وتموت لتطبيق الضغط. يموت يموت المعدن حول طوق النزعة من الجوز ، ويشكل قفلًا ميكانيكيًا صلبًا في خطوة سريعة واحدة.
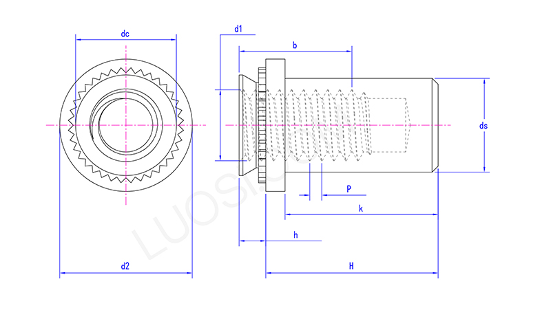
| الاثنين | M3-1 | M3-2 | M4-1 | M4-2 | M5-1 | M5-2 | M6-1 | M6-2 |
| P | 0.5 | 0.5 | 0.7 | 0.7 | 0.8 | 0.8 | 1 | 1 |
| DS Max | 3.84 | 3.84 | 5.2 | 5.2 | 6.35 | 6.35 | 8.75 | 8.75 |
| العاصمة ماكس | 4.2 | 4.2 | 5.38 | 5.38 | 6.33 | 6.33 | 8.73 | 8.73 |
| ب دقيقة | 5.3 | 5.3 | 7.1 | 7.1 | 7.1 | 7.1 | 7.8 | 7.8 |
| ح ماكس | 0.91 | 1.38 | 0.97 | 1.38 | 0.97 | 1.38 | 1.38 | 1.38 |
| ح ماكس | 9.85 | 9.85 | 11.45 | 11.45 | 11.45 | 11.45 | 14.55 | 14.55 |
| ح دقيقة | 9.35 | 9.35 | 10.95 | 10.95 | 10.95 | 10.95 | 14.05 | 14.05 |
| ك ماكس | 8.5 | 8.5 | 9.8 | 9.8 | 9.8 | 9.8 | 12.7 | 12.7 |
| D2 ماكس | 6.6 | 6.6 | 8.2 | 8.2 | 9 | 9 | 11.35 | 11.35 |
| D2 دقيقة | 6.1 | 6.1 | 7.7 | 7.7 | 8.5 | 8.5 | 10.85 | 10.85 |
| D1 | M3 | M3 | M4 | M4 | M5 | M5 | M6 | M6 |
يتم تعريف المكسرات التي يتم إغلاق الصلب الكربوني بواسطة القياسات الرئيسية: حجم الخيط (مثل M4 ، M5 ، M6 ، أو 1/4 "-20) ، قطر طوق النبض ، الارتفاع الكلي ، أبعاد غسالة الختم ، ونطاق سمك الورقة التي تعمل معها (كل من MIN و MAX).
يتم اختبار قوتهم المتقدمة (مدى مقاومتهم للطرد أو ملتوية) ضد معايير الصناعة (فكر ISO ، DIN ، IFI). يعد اختيار الحجم المناسب أمرًا كبيرًا ، فهو يتأكد من أن الختم محمولة والجوز قوي بما يكفي لهذا الوظيفة.
لتثبيت الجوز الختم الكربوني للكبريز ، تحتاج إلى أداة تخصيص متخصصة ومجموعة تموت تتطابق تمامًا مع حجم الجوز. أولاً ، ضع الجوز في حفرة مسبقة في الصفائح المعدنية. ثم تطبق الأداة الضغط الذي يتم التحكم فيه ، مما يجعل حوض طيار الجوز والغسيل في المعدن المحيط. تقوم هذه العملية الباردة بإنشاء جوز الفولاذ المقاوم للصدأ في مكانه ، وفي الوقت نفسه ، فإنها تسحق غسالة الختم المدمجة ضد اللوحة. هكذا يخلق الختم المقاوم للتسرب الذي يجعل هذه المكسرات فريدة من نوعها.
