الميزات الطبيعية لمشابك البرشام البلاستيكية القابلة للتوسيع تجعلها جيدة للاستخدامات الخاصة والمحددة. نظرًا لأنه لا يوصل الكهرباء، فهو مهم حقًا في الصناديق الكهربائية ومناطق الجهد العالي. لا يصدر شرارة، وهو أمر مطلوب حقًا في الأماكن التي يمكن أن تحدث فيها انفجارات (مناطق ATEX).
كما لا يمكنك الاستغناء عنه في غرف التصوير بالرنين المغناطيسي والإلكترونيات الحساسة، وهي الأماكن التي لا يُسمح فيها حتى بالمجالات المغناطيسية الصغيرة من المسامير المعدنية.

تخضع مقاطع البرشام البلاستيكية القابلة للتمدد الجيدة لاختبارات صارمة للتأكد من أنها تعمل باستمرار. تتحقق هذه الاختبارات من أشياء مثل دقة الحجم، ومدى السحب الذي يمكن أن يتحمله، ومدى تعامله مع الضربات، وما إذا كان يعمل مع مواد كيميائية مختلفة.
يتم تصنيع دبابيس الكوتر البلاستيكية الخاصة بـ Xiaoguo® وفقًا لمعايير الصناعة باستخدام مواد تلبي المتطلبات المحددة، مما يضمن الأداء. إنهم يحتفظون بالأشياء بشكل آمن وآمن في مكانها للغرض المقصود منها. بالمقارنة مع دبابيس كوتر المعدنية، فإن البلاستيك أكثر مقاومة للتآكل ومقاومة للصدأ.

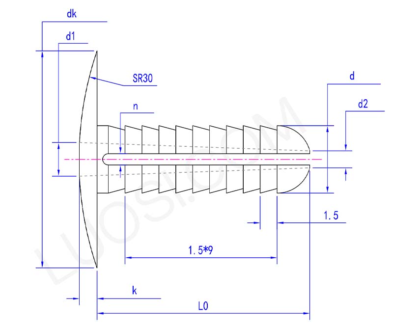
الاثنين
Φ6
Φ8
Φ10
د كحد أقصى
6
8
10
د دقيقة
5.8
7.8
9.8
دك ماكس
16.2
16.2
18.2
لا أعرف دقيقة
15.8
15.8
17.8
ك كحد أقصى
1.6
1.6
2.1
ك دقيقة
1.4
1.4
1.9
L0
20
20
22
د1
3
4
5
د2
1.5
2
3
n
1
1
1.5
إن مشابك البرشام البلاستيكية القابلة للتوسيع القياسية الخاصة بنا مصنوعة من مواد تتوافق مع اللوائح الدولية الرئيسية، بما في ذلك RoHS وREACH. كما نقدم أيضًا إصدارات معتمدة من إدارة الأغذية والعقاقير (FDA) لتطبيقات الاتصال بالأغذية. شهادات الامتثال متاحة عند الطلب.
يتم اختيار موادنا بعناية وفقًا للمعايير العالمية أثناء الإنتاج، مما يضمن الامتثال لمعايير الجودة ذات الصلة وضمان التصدير الآمن والاستخدام على نطاق واسع في جميع أنحاء العالم.