إدراج ثمل
        • إدراج ثملإدراج ثمل
        • إدراج ثملإدراج ثمل
        • إدراج ثملإدراج ثمل
        • إدراج ثملإدراج ثمل

        إدراج ثمل

        إن الإدخالات اللولبية عبارة عن ملف ذاتي القفل تم تشكيله بدقة ومصمم لتوفير خيوط داخلية متينة. تعمل العلامات المضادة للتزييف الخاصة بمصنع XIAOGUO® على حماية العملاء من التقليد دون المستوى المطلوب.
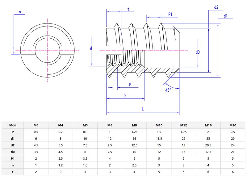
        نموذج:DIN 7965-1965

        إرسال استفسار

        وصف المنتج

        إدراج ثملهي لفائف حلزونية مصنوعة من سلك على شكل الماس. إنه مصمم لإنشاء خيوط داخلية قوية في مواد أكثر ليونة أو عند تلف الخيوط الأصلية. تضعه في فتحة مستغلة مسبقًا، ويمنحك سطحًا ملولبًا قويًا يدوم طويلاً مما يجعل التجميع يدوم لفترة أطول. يعمل الملحق الملولب مثل الغلاف الدائم، فهو ينشر الضغط بالتساوي ويمنع تجريد الخيوط أو تلفها. يعد هذا حلاً عمليًا للتثبيت الآمن في المواقف الصعبة حيث لا تكون المادة الأساسية قوية بدرجة كافية.

        Screwed inserts

        تفاصيل المنتج والمعلمات

        الميزة الرئيسية للإدخالات الملولبة هي أنها يمكنها إصلاح وتقوية الخيوط الضعيفة أو المقطوعة، مما يوفر عليك الاضطرار إلى استبدال الأجزاء التي تكلف الكثير. إنها تعزز قوة السحب والقص أكثر من مجرد المادة الأساسية في حد ذاتها. إن وضع ملحق ملولب ليس بالأمر الصعب للغاية - يمكنك القيام بذلك باستخدام الأدوات العادية. كما أنها تصمد بشكل جيد ضد الاهتزازات، وتمنع المعادن المختلفة من تآكل بعضها البعض، وتأكد من بقاء الخيوط ثابتة ويمكن استخدامها مرة أخرى. هذا يجعلإدراج ثملاختيار ذكي إذا كنت تريد شيئًا موثوقًا به دون إنفاق الكثير.

        Screwed inserts

        التعليمات

        س: كيف يؤدي هذا في الواقع إلى إنشاء خيط أقوى مقارنة بمجرد النقر على المادة الأساسية؟

        ج: أإدراج ثمليدخل في حفرة تم حفرها مسبقًا واستغلالها وهي أكبر قليلاً من المعتاد. الملف مصنوع من سلك على شكل ماسة، مما يمنحه مساحة سطح أكبر بكثير لتحمل الحمل وتوزيع الضغط بالتساوي على طول الخيوط. يساعد هذا على منع المواد الأساسية الأكثر ليونة من التجريد أو التلف أو التآكل عند حدوث اهتزاز أو استخدام كثيف. والنتيجة هي اتصال ملولب قوي وطويل الأمد أفضل بكثير من الخيوط العادية، خاصة في المعادن الناعمة أو البلاستيك.


        الكلمات الساخنة: إدراجات ثمل، الصين، الشركة المصنعة، المورد، المصنع
        الفئة ذات الصلة
        إرسال استفسار
        لا تتردد في تقديم استفسارك في النموذج أدناه. سوف نقوم بالرد عليك خلال 24 ساعة.
        X
        نحن نستخدم ملفات تعريف الارتباط لنقدم لك تجربة تصفح أفضل، وتحليل حركة مرور الموقع، وتخصيص المحتوى. باستخدام هذا الموقع، فإنك توافق على استخدامنا لملفات تعريف الارتباط. سياسة الخصوصية
        يرفض يقبل