بيت > منتجات > بولت > مرساة الترباس > مسامير مرساة برقبة مربعة ذات رأس مربع
        مسامير مرساة برقبة مربعة ذات رأس مربع
        • مسامير مرساة برقبة مربعة ذات رأس مربعمسامير مرساة برقبة مربعة ذات رأس مربع
        • مسامير مرساة برقبة مربعة ذات رأس مربعمسامير مرساة برقبة مربعة ذات رأس مربع
        • مسامير مرساة برقبة مربعة ذات رأس مربعمسامير مرساة برقبة مربعة ذات رأس مربع

        مسامير مرساة برقبة مربعة ذات رأس مربع

        تحتوي مسامير التثبيت ذات الرقبة المربعة ذات الرأس المربع على رأس مربع مع رقبة مربعة متصلة بالرأس في الأسفل وهيكل ملولب في الطرف الآخر. إن البراغي التي ينتجها مصنع Xiaoguo® مناسبة لمشاريع DIY الصغيرة والبناء واسع النطاق، ويمكن استخدامها بشكل جيد مع الخرسانة والمواد الصلبة الأخرى.
        نموذج:BS 7419-1991

        إرسال استفسار

        وصف المنتج

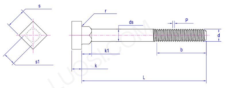
        رأس مسامير التثبيت ذات الرقبة المربعة مربعة الشكل، وكذلك الرقبة. يوفر تصميم الرأس المربع مساحة اتصال كبيرة لمفتاح الربط، مما يضمن استخدام قوة أكثر استقرارًا. إنه عملي بشكل خاص في السيناريوهات التي تتطلب عزمًا قويًا وإجراءات مضادة للانزلاق.

        معلمات المنتج

        square head square neck anchor bolts parameter

        الاثنين
        م16
        م20
        م24
        M30
        M36
        م42
        م48
        م56
        م64
        P
        2 2.5 3 3.5 4 4.5 5 5.5 6
        ب كحد أقصى
        122 127.5 133 140.5 148 155.5 163 172.5 182
        ب دقيقة
        116 120 124 130 136 142 148 156 164
        س ماكس
        16.7 20.84 24.84 30.84 37 43 49 57.2 65.2
        س دقيقة
        15.3 19.16 23.16 29.16 35 41 47 54.8 62.8
        ك دقيقة
        9.25 11.6 14.1 17.65 21.45 24.95 28.95 33.75 38.75
        ك كحد أقصى
        10.75 13.4 15.9 19.75 23.55 27.05 31.05 36.25 41.25
        ص دقيقة
        0.6 0.8 0.8 1 1 1.2 1.6 2 2
        الحد الأقصى
        24 30 36 46 55 65 75 85 95
        دقيقة
        23.16 29.16 35 45 53.8 63.1 73.1 82.8 92.8
        ك 1 دقيقة
        7.25 9.25 11.1 14.1 17.1 19.95 22.95 26.95 30.75
        ك 1 كحد أقصى
        8.75 10.75 12.9 15.9 18.9 22.05 25.05 29.05 33.25
        s1 كحد أقصى
        16.7 20.84 24.84 30.84 37 43 49 57.2 65.2
        S1 دقيقة
        15.3 19.16 23.16 29.16 35 41 47 54.8 62.8

        ميزات المنتج

        تشير مسامير التثبيت ذات الرقبة المربعة ذات الرأس المربع إلى البراغي الثابتة المدمجة قبل أن تصلب الخرسانة. بعد أن تتصلب الخرسانة، سيتم قفل الرقبة المربعةالبراغيفي مكانها لمنعها من الدوران عند شد الصواميل لاحقًا. هي الأساسات التي تقوم بتثبيت الأجسام الثقيلة مباشرة مثل الأعمدة أو الآلات أو الفولاذ الإنشائي على الأساس الخرساني.

        يتم تثبيت مسامير التثبيت بقوة. عندما تقوم بربط الصمولة، سيتم تثبيت الرقبة المربعة بإحكام في المادة المثبتة، مثل الخرسانة أو الخشب، لمنع المسمار من الدوران مع الصمولة. بهذه الطريقة، يمكن أن يبقى الجسم الثابت ثابتًا في مكانه ولن يهتز أو يتحرك بسهولة.

        يتم تركيب مسمار التثبيت المتري هذا أثناء عملية صب الخرسانة. يمكنك استخدام القوالب أو التركيبات لوضعها، مع التأكد من أن الأطراف الملولبة متجهة للأعلى. الخطوة الأساسية هي دمج جزء العنق المربع في الخرسانة الرطبة. عندما تتصلب الخرسانة حول الرقبة المربعة، فإنها ستمسك بقوة بالرقبة المربعة. بعد ذلك، كل ما عليك فعله هو وضع العنصر على المزلاج ثم ربط الصمولة بالخيط المكشوف.

        إن مسامير التثبيت ذات الرقبة المربعة ذات الرأس المربع مقاومة للصدمات. نظرًا لأن البراغي مثبتة فعليًا في الخرسانة بواسطة المادة الصلبة المحيطة بالرقبة المربعة، فهي أقل عرضة للارتخاء بسبب الاهتزاز أو الحركة. وهذا يمكّنها من تثبيت الآلات أو الهياكل المهتزة بشكل موثوق والتي تخضع للأحمال الديناميكية مثل الرياح أو حركة المرور.


        الكلمات الساخنة: مسامير مرساة برقبة مربعة ذات رأس مربع، الصين، الشركة المصنعة، المورد، المصنع
        الفئة ذات الصلة
        إرسال استفسار
        لا تتردد في تقديم استفسارك في النموذج أدناه. سوف نقوم بالرد عليك خلال 24 ساعة.
        X
        نحن نستخدم ملفات تعريف الارتباط لنقدم لك تجربة تصفح أفضل، وتحليل حركة مرور الموقع، وتخصيص المحتوى. باستخدام هذا الموقع، فإنك توافق على استخدامنا لملفات تعريف الارتباط. سياسة الخصوصية
        يرفض يقبل