يُعد الترباس العالي للوجه لحام الإسقاط نوعًا خاصًا من السحابة المصنوعة للاتصال بقوة وبسهولة بالألواح المعدنية أو الهياكل. إنه يحتوي على توقعات - عادةً حلقات أو مطبات صغيرة - على الجانب الذي يلمس المعدن ، وهي مصنوعة لأحجام دقيقة.
عندما تحامها ، يركز الكثير من التيار الكهربائي على هذه التوقعات. هذا يجعل المعدن هناك ساخنًا حقًا ، ويذوب ، ثم عندما يبرد ، فإنه يشكل لحامًا قويًا. يحمل هذا اللحام الترباس ذو القوة العالية للوجه بإحكام على القطعة التي تعمل عليها.
تتمثل مهمة لحام الإسقاط عالية القوة في الوجه في إنشاء نقطة مرفق دائمة قائمة على الخيوط يمكن أن تحتفظ بالوزن. تحتاج إلى معدات لحام الإسقاط الخاصة للحام.
تضغط الأقطاب الكهربائية لأسفل وأرسل الكثير من الكهرباء من خلال توقعات الترباس والقطعة المعدنية التي تعمل معها. تعني الطريقة التي يتم بها تصنع البراغي اللحام فقط التوقعات التي تذوب - لا شيء أكثر من ذلك. عندما يبردون ، فإنهم يشكلون رابطة معدنية قوية ، والمعادن المحيطة بها لا تنحني أو تشوه كثيرًا.
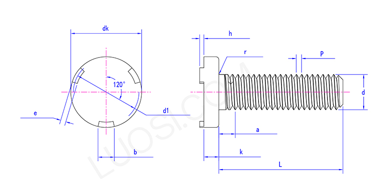
| الاثنين | M5 | M6 | M8 | M10 |
| P | 0.8 | 1 | 1.25 | 5 |
| DK ماكس | 12.4 | 14.4 | 16.4 | 20.4 |
| DK min | 11.6 | 13.6 | 15.6 | 19.6 |
| ك ماكس | 2 | 2.2 | 3.2 | 4.2 |
| ك دقيقة | 1.6 | 1.8 | 3.2 | 4.2 |
| وماكس | 2.25 | 2.75 | 2.25 | 2.75 |
| هـ | 1.75 | 2.25 | 1.75 | 2.25 |
| ب ماكس | 3.3 | 4.3 | 5.3 | 6.3 |
| ب دقيقة | 2.7 | 3.7 | 4.7 | 5.7 |
| ح ماكس | 0.8 | 0.9 | 1.1 | 1.3 |
| ح دقيقة | 0.6 | 0.75 | 0.9 | 1.1 |
| D1 Max | 10 | 11.5 | 14 | 17.5 |
| D1 دقيقة | 9 | 10.5 | 13 | 16.5 |
| ص دقيقة | 0.2 | 0.25 | 0.4 | 0.4 |
| ص ماكس | 0.6 | 0.7 | 0.9 | 1.2 |
| الحد الأقصى | 3.2 | 4 | 5 | 5 |

يحتوي الترباس لحام عالي القوة على الوجه على أجزاء مرتفعة قليلة - عادة حلقات أو رواق صغيرة - على الجانب الذي يتم اللحام. عندما تحامها ، يركز الكثير من الكهرباء على تلك الأجزاء التي يتم رفعها. يذوبون على الفور ضد المعدن الأساسي ، بينما يضغط القطب.
وهذا يجعل اللحامات القوية الضيقة التي تمسك الترباس في مكانها جيدًا. أنها تعمل بشكل رائع للوظائف المعدنية ورقة.