يتم تحديد درجات المسامير ذات العروة من نوع الكتف للمثبت من خلال معايير القوة والمواد، وهي ضرورية للرفع الآمن. تشمل الدرجات الشائعة 4.8 و8.8 و10.9 و12.9 لمتغيرات الفولاذ الكربوني - الأرقام الأعلى تعني قوة شد أكبر. تناسب الدرجة 4.8 المهام الخفيفة مثل الأعمال اليدوية المنزلية، بينما تناسب الدرجة 8.8 الاستخدام الصناعي العام. تتعامل الدرجات 10.9 و12.9 عالية القوة مع الأحمال الثقيلة في البناء أو الآلات.
غالبًا ما تتبع إصدارات الفولاذ المقاوم للصدأ الدرجات A4 (316) أو A2 (304)، مع إعطاء الأولوية لمقاومة التآكل للبيئات البحرية/الكيميائية. توفر درجات الفولاذ المصنوعة من سبائك الصلب متانة فائقة للرفع الأقصى. يتم تمييز كل درجة بتصنيفات الحمل، مما يضمن التوافق مع التطبيقات المقصودة والامتثال للسلامة.
مراقبة الجودة للمسامير ذات العين من نوع الكتف تعني إجراء فحوصات شاملة للتأكد من أنها آمنة وتعمل بشكل صحيح. تتضمن هذه العملية عادةً التأكد من صحة درجة المادة، والتحقق من الخيوط لمعرفة ما إذا كانت دقيقة، وإجراء اختبارات الحمل لتأكيد حد حمل العمل (WLL). كما يقومون أيضًا بالتحقق مما إذا كانت الأبعاد تتوافق مع معايير مثل DIN أو ISO. يجب أن تكون كل دفعة من البراغي ذات العروة قابلة للتتبع، وستحصل على شهادة لإثبات استيفائها للمتطلبات المتعلقة بكيفية استخدامها.

سؤال: كيف يمكنني تركيب مسمار العين من نوع الكتف بشكل صحيح؟ بالنسبة للمسمار القياسي، قم بربطه بالكامل في فتحة ملولبة - تأكد من ملامسة كتف العين للسطح. سيؤدي السحب بزاوية إلى تقليل حمل العمل الآمن تمامًا، وهذا أمر خطير.

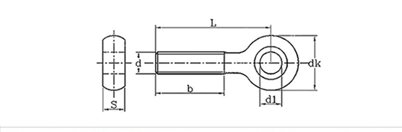
مم
قطر الخيط
د1
dk
s
م6
5
10.5
5.4
م8
6
13
7
م10
8
16
8.5
م12
10
19
10.5
م14
10
22
12