عادة ما تكون هذه المسامير المثبتة من قبل الأمم المتحدة للوحة PCB مصنوعة من سبائك فولاذية جيدة، مثل الفولاذ منخفض الكربون أو الفولاذ المقاوم للصدأ، أو الألومنيوم. لديهم قوة ميكانيكية صلبة وتصمد بشكل جيد مع مرور الوقت.
توفر تلك المصنوعة من الفولاذ أقصى قوة للشد والقص. ومن ناحية أخرى، فإن الألومنيوم يوصل الكهرباء بشكل جيد وخفيف.
المعدن الذي تم اختياره لهذه المسامير يعني أنها تستطيع التعامل مع الأحمال الميكانيكية الثقيلة، والضغط الناتج عن دورات التسخين والتبريد، والبقاء قويًا طوال فترة استخدام المنتج.
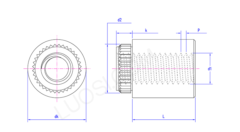
إن مسمار UN المثبت ببرشام للوحة PCB هو أداة تثبيت دائمة وعالية القوة تستخدم لتوفير نقطة تثبيت خارجية موثوقة على لوحات الدوائر المطبوعة (PCBs). هنا، يمثل "UN" عادةً "المعيار الوطني الموحد"، في إشارة إلى نوع سن اللولب القياسي الذي يمتلكه (مثل UNC أو UNF)، والذي يضمن توافقه مع العديد من الصواميل القياسية.
عملية التثبيت سريعة وفعالة. أدخل المسمار في الفتحة المحفورة مسبقًا على لوحة PCB. بعد ذلك، استخدم أداة تثبيت مخصصة لتشويه الطرف المسطح للمسمار، مما يؤدي إلى توسيعه للخارج وإحكام الإمساك به بين رأس البرشام وكتف أو شفة المسمار، وبالتالي تشكيل اتصال قوي ومقاوم للاهتزاز دون الحاجة إلى اللحام.
تعتبر هذه الطريقة مناسبة بشكل خاص للسيناريوهات التي تتطلب تحمل ضغوط ميكانيكية كبيرة، أو تحتاج إلى الخضوع لعمليات توصيل متعددة، أو حيث قد تؤدي الحرارة الناتجة عن اللحام إلى إتلاف المكونات الحساسة.
يتم وضع هذه المسامير المثبتة من قبل الأمم المتحدة للوحة PCB باستخدام طريقة التشكيل على البارد أو التثبيت.
يمكنك لصق المسمار من خلال فتحة محفورة مسبقًا في PCB. ثم تقوم أداة تثبيت خاصة بثني ساق المسمار على قالب أسفل اللوحة، مما يؤدي إلى إنشاء قفل دائم ومتوهج يثبته في مكانه.
تولد طريقة المعالجة الباردة حرارة أقل ولن تلحق الضرر بطبقة ثنائي الفينيل متعدد الكلور أو الدوائر. عند تركيبها بشكل صحيح، توفر المسامير تثبيتًا قويًا ومقاومًا للاهتزاز دون المساس بهيكل لوحة الدائرة.

| سوق | الإيرادات (العام السابق) | إجمالي الإيرادات (%) |
| أمريكا الشمالية | مؤتمن | 20 |
| أمريكا الجنوبية | مؤتمن | 4 |
| أوروبا الشرقية | مؤتمن | 24 |
| جنوب شرق آسيا | مؤتمن | 2 |
| أفريقيا | مؤتمن | 2 |
| أوقيانوسيا | مؤتمن | 1 |
| الشرق الأوسط | مؤتمن | 4 |
| شرق آسيا | مؤتمن | 13 |
| أوروبا الغربية | مؤتمن | 18 |
| أمريكا الوسطى | مؤتمن | 6 |
| شمال أوروبا | مؤتمن | 2 |
| جنوب أوروبا | مؤتمن | 1 |
| جنوب آسيا | مؤتمن | 4 |
| السوق المحلية | مؤتمن | 5 |